Your suspension helps keep a person firmly planted on the road through the twists plus turns and blisters straightaways of life. The tires stay in contact while using road, even when cornering at high speed. When the roads is bumpy, the particular suspension smooths out skin problems, resulting in a seamless experience. If this is not the case, you will have suspension problems you’ll want to be investigating.
Lend an Ear
While generating down the road, be sure to pay attention to your vehicle. If your motor vehicle has a suspension issue, it’ll often make an appearance as clunks or humps, which you may hear or feel. If you pick up tapping or ticking using a relatively smooth streets, you may have a problem with amaze or strut sums, sway bar hyperlinks or bushings. On difficult roads or over lumps, clunkiness could indicate used bushings or ball bones. If you hear visiting or knocking in one corner, particularly when talking about a bump, you might have a problem with the support or sway drink station link. A noisy bang that shudders throughout the whole vehicle generally is a problem with the jounce as well as frame bumpers.
With the vehicle stationary, turn the controls left and right. Clicking may indicate a fasten rod end or perhaps a bearing problem. Your groaning sound could possibly point to a power advice or strut impact problem.
Bounce Test
While driving, for those who accelerate hard, does the rear end bottom outside? If so, you might have an issue with rear shocks. If the car nosedives on very difficult braking, you may have an issue with front shocks or struts. If you’re driving later on in life and the car keeps bouncing after each and every rise or bundle, the shocks and also struts are probably worn out.
With the car parked, get out plus bounce the vehicle you. Press down on a corner of the vehicle with all your body weight and then let go. The auto should bounce in place and then settle back to normal. If it bounces more than once, maybe you need a new great shock absorber or new struts.
Wiggle Test
This test out you can do in your driveway or garage. Jack up the vehicle and help it on jack stands. (Remember to by no means get under a motor vehicle supported only by the jack!) In the back, wiggle the tyre up and down, left and right, in addition to diagonally. If you hear a new clunky noise or feel any unnecessary movement, you may have to investigate further to figure out which often part is unfastened.
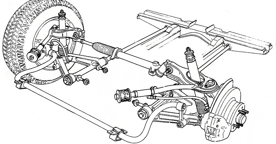
The front end can be more technical, tie rod ends up, ball joints, swagger bearings, wheel bearing or maybe steering linkages involved. Looseness or maybe clunking here when wiggling the front wheels will demand further investigation.
If entry wheels wiggle by:
These are three relatively easy tests, exactly what the pros do when you have insides problems. They only should get is some basic knowledge of the machine and a few observations. Be aware of your suspension as well as repair it when needed, and it could repay you along with years of reliable effectiveness, safety and comfort.









